一、竞赛目的
为检验金年会数控技术、模具设计与制造以及机械制造及自动化班级学生的编程及操作能力,促进数控编程及机床操作等课程教学案例及相关教学资源的积累,推动课程改革与建设,加快工学结合人才培养模式改革和创新的步伐,培养满足社会需要的数控加工制造的高素质技能型人才,增强学生的就业竟争能力。
二、竞赛班级
24数控、24模具、24机制
指导老师:陈静、牛涛
三、竞赛时间
2024年12月24日(第17周)
时间:下午6:30-7:40
四、竞赛地点及场地设施
地点:工业技能中心北二楼数控仿真实训室。
比赛工位:每个选手一台计算机,上海宇龙数控仿真软件。
五、竞赛内容
参赛选手分别在数控仿真系统上完成零件程序编制及仿真加工任务。
六、奖项设定
一等奖2名,二等奖4名,三等奖6名,优秀奖若干。(具体与实际参赛人数有关)
一等奖2学分,二等奖1.5学分、三等奖1学分、参赛未获奖可得0.3学分
七、报名方式
各班由班长将本班的参赛名单集中报于机电学院牛涛老师处。
报名截止时间12月23日。
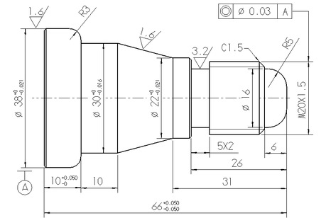
附件1:数控车编程模拟试题
机电工程学院
2025年12月10日
附件1:数控车编程模拟试题
(图1 数控车编程模拟试题)
技术要求:
1. 不允许车削以外的任何形式的修整和抛光;
2. 未注倒角为C1;
3. 未注公差等级IT12。
(撰稿:卢志刚 审稿:程启森)

皖公网安备号